Ontwerp en Productie Omvormer behuizing

idee tot product

Optimaliseren vaN een bestaande installatie

Als onderdeel van een elektrische voortstuwingsinstallatie van een rubberboot die op zee opereert, heeft de omvormer de taak om van de gelijkstroom van de accu’s, wisselstroom voor de buitenboordmotor te vormen. De opdracht is om deze installatie te herzien en te optimaliseren voor het gebruik in ruwe condities.

Techiek:

Het visualiseren van verschillende scenario’s en hierbij de pros en cons tegen elkaar afwegen

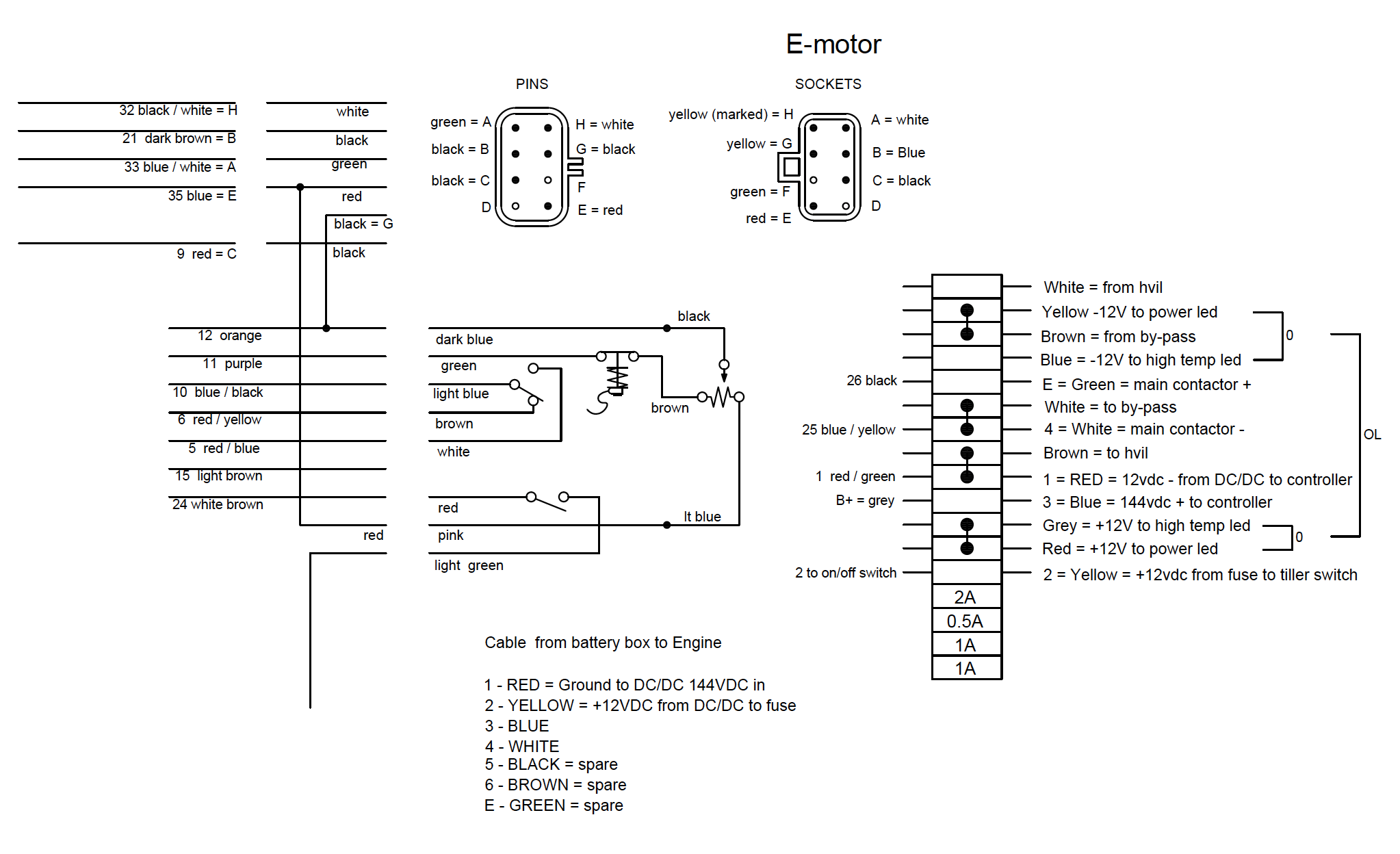
In kaart brengen van de originele elektrische installatie en schema’s maken voor de nieuwe scenario’s

CAD en Fusion 360 tekeningen

3D printen van dummies

CNC frezen van behuizing

CNC watersnijden van rvs componenten

Werkwijze

 

In de oorspronkelijke situatie was de omvormer in een separate polycarbonaat doos geïnstalleerd die op de accu’s gepositioneerd was. De nadelen van deze lay-out was dat behalve het grote aantal slangen en kabels over dek, de omvormer in deze positie (waar de boot veel water over krijgt en aan schokken onderhevig is), erg kwetsbaar zou zijn. Vanwege het aanzienlijke gewicht zou het ook beter zijn om de omvormer in de buitenboordmotor te plaatsen.

Met het theoretisch verschuiven van verschillende componenten is gekeken welke situatie de beste resultaten zou geven en is een poging gewaagd om de omvormer onder de motorkap te krijgen.

Op deze locatie neemt het aantal slangen en kabels dat over dek loopt af van 7 naar 3 waardoor het geheel iets minder storingsgevoelige wordt en bovendien het koelwatercircuit met 4 meter slang wordt ingekort.

Er is bewust voor gekozen het ontwerp van de omvormer-behuizing dusdanig te maken dat het koelgedeelte volledig buiten de behuizing valt. 

De beschikbare ruimte hield dusdanig weinig over dat met verschillende 3D geprinte dummies de maximale maat bepaald moest worden om vrij te blijven van de motorkap en de minimale radius van de kabels en slangen aan te houden.

Het resultaat is een robuuste waterdichte behuizing die de omvormer op de meest ideale plaats positioneert waardoor de kans op storingen en schade verkleind wordt, er meer ruimte maar minder gewicht aan dek komt en de efficiëntie van de koeling toeneemt.

 

 

Heb je een idee? Start je project vandaag nog

Loop je rond met het plan voor een eigen product of installatie?
Wil je je project voorzien van de juiste handleidingen en schema's?
Of heb je hulp nodig bij het visualiseren, ontwerpen of realiseren van jouw creatieve en/of technische project?